晶振官方博客
更多>>如何全面了解TCXO晶振?看這篇文章就夠了
來源:http://www.toua-seitai.com 作者:康華爾電子 2019年08月29
近10年來市面上對TCXO晶振的使用量在不斷的增加,目前TCXO最小的體積可達到1.6*1.2mm,部分料號已計劃上市,大概明年會迎來新的浪潮.為了更合理的利用溫補晶振,一些工程師會特意的了解和學習相關的資料,因為TCXO晶振和普通的晶體或振蕩器都有一定的區別,雖然操作原理差不多,但在性能和功能方面,會更好更高.
TCXO對工程師非常有用,因為它們可以在比電路板上具有相同功耗和占用空間的標準VCXO更高的溫度穩定性的10倍到40倍之間使用.TCXO彌合了標準XO或VCXO與OCXO之間的差距,這些差距更高,需要更多功率才能運行.推動技術的目標是降低功耗,當然還要降低成本,因此TCXO為功耗和成本敏感的應用提供了良好的中檔解決方案.
當需要標準XO(晶體振蕩器)或VCXO(壓控晶體振蕩器)無法達到的溫度穩定性時,TCXO石英晶振是必需的.溫度穩定性衡量振蕩器頻率隨溫度變化的程度,并在兩種方式.一種常見的方法是使用加/減規格(例如:±0.28ppm對比工作溫度范圍,參考25°C-溫度范圍通常為-40至85°C或-20至70°C).該規范告訴我們,如果我們將25°C的頻率設為標稱頻率,則器件頻率將偏離或低于該標稱頻率不超過0.28ppm.這與指定溫度穩定性的第二種方式不同,即使用峰峰值或僅使用沒有參考點的正/負值.在第二種情況下,我們不能說我們知道頻率高于或低于頻率將會變化多遠-只是我們知道總的范圍是多少.通常,使用來自定義的參考點的正負值來指定設備.
圖1是不同振蕩器類型的典型溫度穩定性的示意圖,范圍從標準VCXO晶振的50ppm到高性能OCXO的0.2ppb.軸反轉使得曲線在增加溫度穩定性的方向上增長.TCXO穩定性范圍涵蓋VCXO與OCXO之間的中間位置(在某些情況下,與某些OCXO性能重疊). 溫度穩定性的TCXO水平(從5ppm到50ppb)通常是必要的,因為振蕩器將保持獨立工作,或者在沒有外部頻率基準的系統中以自由運行模式工作,或者作為合成器的固定頻率基準,TCXO開環工作以驅動DDS(直接數字合成),其中DDS而不是TCXO被“鎖定”到外部基準.
后一種情況(TCXO是開環,頻率設置在DDS)變得越來越普遍,因為設計人員發現,與使用數模轉換器控制TCXO相比,使用DDS解決方案可以獲得更好的頻率分辨率.因為轉向是在DDS中而不是振蕩器中進行的,所以設計人員需要能夠對固定基準電壓源的頻率如何隨溫度變化做出某些假設,以便能夠相應地規劃鎖相環的設計.由于靈活性,它們允許低電壓TCXO晶振在許多頻率控制應用中使用,但一個重要的領域是小小區基站(毫微微、微和微微),它們經常被用作定時分配芯片的固定頻率源.
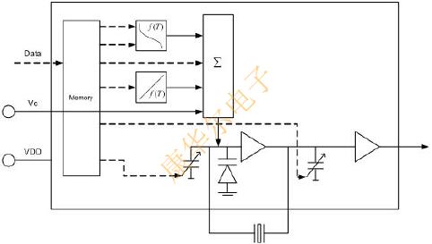
在非常基本的術語中,TCXO通過采用溫度補償網絡進行操作,該網絡檢測環境溫度并將晶體拉至其標稱值.基本振蕩器電路和輸出級與VCXO中的預期相同.圖2是簡化的TCXO功能框圖.

圖2.TCXO功能塊
這個想法是補償網絡驅動牽引網絡,然后調整石英晶體振蕩器的頻率.圖3是發生了什么的概述-未補償的晶體頻率響應溫度(紅色)就像一個三階多項式曲線(如果你使振蕩器非線性生效,更像是第五個),所以目標是補償網絡是產生一個電壓,它有效地是關于晶體曲線的溫度軸的鏡像,以抵消溫度對晶體的影響.補償電壓以藍色顯示,得到的頻率/溫度曲線以綠色繪制.

圖3.溫度補償
實現這一目標的方法隨著時間而改變.使用的第一種方法之一是直接補償技術,其中使用熱敏電阻,電容器和電阻器的網絡來直接控制振蕩器的頻率.溫度的變化導致熱敏電阻(圖4中的RT1和RT2)變得不穩定,這會導致網絡的等效串聯電容發生變化-這反過來會改變晶體上的電容負載,從而導致振蕩器的頻率發生變化.
在隨后的開發中(圖5中所示的間接補償),熱敏電阻(RT1至RT3)和電阻(R1至R3)的網絡用于產生與溫度相關的電壓.對網絡的輸出電壓進行濾波,然后用于驅動變容二極管,該變容二極管改變晶振上的負載,再次導致頻率變化.

圖5間接補償
目前的方法將補償網絡和牽引網絡集成到一個集成電路中(如圖6所示),補償網絡的作用由一組運算放大器組成,這些運算放大器在一起產生溫度上的3階或5階函數.與間接補償方法一樣,該電壓用于驅動變容二極管,這反過來又改變了振蕩器的輸出頻率.由于晶體特性的變化意味著沒有一刀切的功能,因此在溫補晶振的溫度測試期間得出了解決方案.兩個電容器陣列用于將室溫下的頻率調節到標稱值,然后在測試期間獲得溫度補償功能所需的設置并存儲在片上存儲器中.
最后一種方法通常被稱為數字控制模擬補償,并且在小型TCXO晶振設計中常見,因為可以在單個ASIC中提供大量功能.這個簡短的介紹給了你一個概述TCXO及其實施的各種方式.
TCXO對工程師非常有用,因為它們可以在比電路板上具有相同功耗和占用空間的標準VCXO更高的溫度穩定性的10倍到40倍之間使用.TCXO彌合了標準XO或VCXO與OCXO之間的差距,這些差距更高,需要更多功率才能運行.推動技術的目標是降低功耗,當然還要降低成本,因此TCXO為功耗和成本敏感的應用提供了良好的中檔解決方案.
當需要標準XO(晶體振蕩器)或VCXO(壓控晶體振蕩器)無法達到的溫度穩定性時,TCXO石英晶振是必需的.溫度穩定性衡量振蕩器頻率隨溫度變化的程度,并在兩種方式.一種常見的方法是使用加/減規格(例如:±0.28ppm對比工作溫度范圍,參考25°C-溫度范圍通常為-40至85°C或-20至70°C).該規范告訴我們,如果我們將25°C的頻率設為標稱頻率,則器件頻率將偏離或低于該標稱頻率不超過0.28ppm.這與指定溫度穩定性的第二種方式不同,即使用峰峰值或僅使用沒有參考點的正/負值.在第二種情況下,我們不能說我們知道頻率高于或低于頻率將會變化多遠-只是我們知道總的范圍是多少.通常,使用來自定義的參考點的正負值來指定設備.
圖1是不同振蕩器類型的典型溫度穩定性的示意圖,范圍從標準VCXO晶振的50ppm到高性能OCXO的0.2ppb.軸反轉使得曲線在增加溫度穩定性的方向上增長.TCXO穩定性范圍涵蓋VCXO與OCXO之間的中間位置(在某些情況下,與某些OCXO性能重疊). 溫度穩定性的TCXO水平(從5ppm到50ppb)通常是必要的,因為振蕩器將保持獨立工作,或者在沒有外部頻率基準的系統中以自由運行模式工作,或者作為合成器的固定頻率基準,TCXO開環工作以驅動DDS(直接數字合成),其中DDS而不是TCXO被“鎖定”到外部基準.
后一種情況(TCXO是開環,頻率設置在DDS)變得越來越普遍,因為設計人員發現,與使用數模轉換器控制TCXO相比,使用DDS解決方案可以獲得更好的頻率分辨率.因為轉向是在DDS中而不是振蕩器中進行的,所以設計人員需要能夠對固定基準電壓源的頻率如何隨溫度變化做出某些假設,以便能夠相應地規劃鎖相環的設計.由于靈活性,它們允許低電壓TCXO晶振在許多頻率控制應用中使用,但一個重要的領域是小小區基站(毫微微、微和微微),它們經常被用作定時分配芯片的固定頻率源.
在非常基本的術語中,TCXO通過采用溫度補償網絡進行操作,該網絡檢測環境溫度并將晶體拉至其標稱值.基本振蕩器電路和輸出級與VCXO中的預期相同.圖2是簡化的TCXO功能框圖.

圖2.TCXO功能塊

圖3.溫度補償

圖5間接補償
正在載入評論數據...
相關資訊
- [2023-07-12]如何為6G微處理器選擇晶體FO5SLCBF125....
- [2023-06-28]精工6G晶振物料SMD32.768kHz石英晶體電...
- [2020-07-10]石英晶體等效串聯電阻,振蕩模式原理與公...
- [2020-06-16]從歷史角度闡述振蕩器與連接器的封裝尺...
- [2019-12-14]SITIME品牌車用晶體振蕩器AEC-Q100系列...
- [2019-12-04]KVG新型100MHz高頻OCXO晶振具有極低的噪...
- [2019-08-29]如何全面了解TCXO晶振?看這篇文章就夠...
- [2019-08-24]Oscillator閃爍噪聲發生器
- [2019-08-13]超微型愛普生FA1210AN貼片晶振產品介紹...
- [2019-08-07]TAITIEN泰藝無源MHz石英晶體料號查詢
- [2019-07-22]Wenzel Crystal品牌的創業歷史
- [2019-06-29]看看NDK公司新推出的5G晶振有什么神奇之...