產品系列
- 32.768KHz
- 石英晶振
- 貼片晶振
- 聲表面濾波器
- 陶瓷晶振
- 陶瓷霧化片
- 陶瓷濾波器
- 微孔霧化片
- CTS晶振
- KDS晶振
- 愛普生晶振
- 西鐵城晶振
- 精工晶體
- 村田晶振
- 京瓷晶振
- DST310S晶振
- 日本大河晶體
- NDK晶振
- 亞陶晶振
- 日本富士晶振
- NAKA晶振
- SMI晶振
- NKG晶振
- NJR晶振
- Q-Tech晶振
- ABRACON晶振
- VECTRON晶振
- JAUCH晶振
- ConnorWinfield晶振
- Rakon晶振
- ECS晶振
- Greenray晶振
- ECLIPTEK晶振
- GOLLEDGE晶振
- STATEK晶振
- Pletronics晶振
- SITIME晶振
- Microcrystal晶振
- RALTRON晶振
- AEK晶振
- AEL晶振
- ILSI晶振
- FOX晶振
- fujicom晶振
- CRYSTEK晶振
- interquip晶振
- Geyer晶振
- quartzcom晶振
- qantek晶振
- EUROQUARTZ晶振
- quarztechnik晶振
- Cardinal晶振
- FRE-TECH晶振
- KVG晶振
- wi2wi晶振
- Transko晶振
- suntsu晶振
- mmdcomp晶振
- MERCURY晶振
- MTRONPTI晶振
- ACT晶振
- MTI晶振
- Lihom晶振
- Rubyquartz晶振
- Oscilent晶振
- SHINSUNG晶振
- ITTI晶振
- PDI晶振
- IQD晶振
- Microchip晶振
- Silicon晶振
- Anderson晶振
- Fortiming晶振
- CORE晶振
- NIPPON晶振
- NIC晶振
- QVS晶振
- Bomar晶振
- Bliley晶振
- GED晶振
- FILTRONETICS晶振
- STD晶振
- Wenzel晶振
- NEL晶振
- EM晶振
- PETERMANN晶振
- FCD-Tech晶振
- HEC晶振
- FMI晶振
- Macrobizes晶振
- AXTAL晶振
- SUNNY晶振
- ARGO晶振
- Renesas瑞薩晶振
- SKYWORKS晶振
- NSK晶振
- 臺灣加高諧振器
- 臺灣鴻星晶體
- TXC晶振
- 臺灣希華晶振
- 臺灣泰藝晶體
- AKER晶振
晶振廠家
進口晶振
歐美晶振
臺產晶振
Tel:0755-27838351
Add:廣東深圳市寶安區67區留仙一路甲岸科技園3棟5樓
Email:konuaer@163.com
QQ:632862232

晶振官方博客
更多>>.jpg)

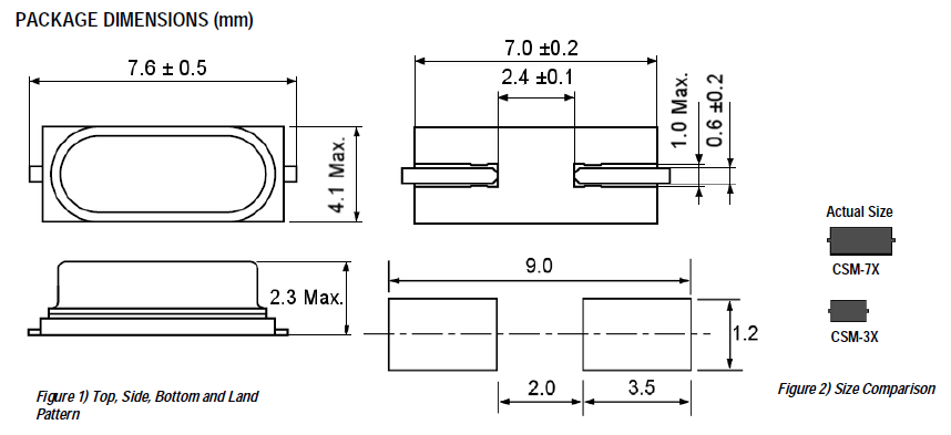
ECS晶振,石英晶振,CSM-3X晶振,ECS-120-20-3X-TR晶振.產品本身采用全自動石英晶體檢測儀,以及跌落,漏氣等苛刻實驗.產品本身具有高穩定性,高可靠性的石英晶體諧振器,焊接方面支持表面貼裝,外觀采用金屬封裝,具有充分的密封性能,晶振本身能確保其高可靠性,采用編帶包裝,可對應產品應用到自動貼片機告訴安裝,滿足無鉛焊接的高溫回流溫度曲線要求.
晶振高精密點膠技術:石英晶振晶片膠點的位置、大小:位置準確度以及膠點大小一致性,通過圖像識別及高精密度數字定位系統的運用、使石英晶體諧振器晶片的點膠的精度在±0.02mm之內。將被上銀電極的晶片裝在彈簧支架上,點上導電膠,并高溫固化,通過彈簧即可引出電信號。
.gif)
ECS晶振 | 單位 | CSM-3X晶振 | 石英晶振基本條件 |
標準頻率 | f_nom | 6.000MHz~30.000MHZ | 標準頻率 |
儲存溫度 | T_stg | -40°C ~ +85°C | 裸存 |
工作溫度 | T_use | -10°C ~ +70°C | 標準溫度 |
激勵功率 | DL | 100μW Max. | 推薦:100μW |
頻率公差 | f_— l | ±30×10-6 (標準), |
+25°C 對于超出標準的規格說明, 請聯系我們以便獲取相關的信息, http://www.toua-seitai.com/ |
頻率溫度特征 | f_tem | ±50×10-6/ | 超出標準的規格請聯系我們. |
負載電容 | CL | 10PF~20PF | 不同負載要求,請聯系我們. |
串聯電阻(ESR) | R1 | 如下表所示 | DL=100μW |
頻率老化 | f_age | ±5×10-6/year Max. | +25°C,第一年 |

.gif)

ECS兆級49S貼片原廠代碼表:
原廠編碼 | 型號 | 頻率 | 尺寸 |
ECS-250-20-3X-TR | CSM-3X | 25MHz | 0.276" L x 0.161" W (7.00mm x 4.10mm) |
ECS-120-20-3X-TR | CSM-3X | 12MHz | 0.276" L x 0.161" W (7.00mm x 4.10mm) |
ECS-160-20-3X-TR | CSM-3X | 16MHz | 0.276" L x 0.161" W (7.00mm x 4.10mm) |
ECS-143-20-3X-TR | CSM-3X | 14.31818MHz | 0.276" L x 0.161" W (7.00mm x 4.10mm) |
ECS-147.4-20-3X-TR | CSM-3X | 14.7456MHz | 0.276" L x 0.161" W (7.00mm x 4.10mm) |
ECS-184-20-3X-TR | CSM-3X | 18.432MHz | 0.276" L x 0.161" W (7.00mm x 4.10mm) |
ECS-200-20-3X-TR | CSM-3X | 20MHz | 0.276" L x 0.161" W (7.00mm x 4.10mm) |
ECS-245.7-20-3X-TR | CSM-3X | 24.576MHz | 0.276" L x 0.161" W (7.00mm x 4.10mm) |

<晶體諧振器>
如果過大的激勵電力對進口晶振外加電壓,有可能導致特性老化或損壞,因此請在宣傳冊、規格書中規定的范圍內使用。
讓無源晶振振蕩的電路寬裕度大致為負性阻抗值。本公司推薦此負性阻抗為諧振器串聯電阻規格值的5倍以上,若是車載和安全設備,則推薦10倍以上。
<晶體振蕩器>
晶體振蕩器的內部電路使用C-MOS。閉鎖、靜電對策請和一般的C-MOS IC一樣考慮。
有些SMD晶振沒有和旁路電容器進行內部連接。使用時,請在Vdd-GND之間用0.01μF左右的高頻特性較好的電容器(陶瓷片狀電容器等)以 最短距離連接。關于個別機型請確認宣傳冊、規格書。
<晶體濾波器>
注意電路板圖形的配置,避免輸入端子和輸出端子靠得太近。
如果貼裝晶體濾光片的電路板的雜散電容較大,為了消除該雜散電容,有時需要配置調諧電路。
如果過大的激勵電力對諧振器外加電壓,有可能導致特性老化或損壞,因此請在濾波器的輸入電平在−10dBm以下的狀態下使用。
<光學產品>
由于制造過程中進行了灰塵等異物管理,因此包裝開封以后,請在進行清潔度管理的環境中使用。

ECS公司的產品是通過全球子公司的供應鏈網絡進行戰略性的交付位于主要設計中心,客戶合同制造子公司和主要市場。ECS晶振完全承諾并支持RoHS指令,現在生產符合以下定義的符合要求的產品。我們的許多產品從一開始就與RoHS兼容。他們中的許多人符合下面的指導方針。致力于以對社會和環境負責任的方式行事,并為我們當地和全球社區的細心周到的鄰居。
ECS公司是世界一流的研究機構和電子設備設計師公認的創新壓電石英晶體解決方案的前15的全球開發商和制造出全球競爭者數超過600的。我們的全球支持工作力超過225家制造工廠,物流中心位于香港之內;韓國首爾;煙臺,中國,當然還有美國我們全球收入不報也不上市,由于其私人和專有所有權狀態。作為一個在提供商支持整個市場達到超過$28億美元的最高層次的全球社區,你可以放心,您正在使用它的空間了“同類最佳”的頻率控制供應商之一合作。

美國ECS晶振勞工職業安全衛生議題近年成為世界各國及企業關注焦如何做到‘降低職業災害發生、確保工作場所安全、實施員工健康管理’一直是ECS晶體努力的方向,公司于2008年12月通過OHSAS18001職業安全衛生管理系統驗證,提供勞工符合系統要求的安全衛生工作環境.
ECS晶振公司遵守所有適用的有關環境、健康和安全的法律和法規以及公司自己的有關環境、工業衛生和安全的方針和承諾。
與我們的員工一起開創并保持一個免于事故的工作場所。
重視污染預防,消除偏離程序的行為強調通過員工努力這一最可行的方法持續改進我們經營活動的環境績效。
將持續的環境、健康和安全方面的改進、污染預防和員工的努力納入日常運行當中。
加強污染防治,減少現有的污染廢棄物以及在未來生產制造中所產生的污染。
為確保安全、提高保護預防措施、產品的可靠性以及職業安全,確保職業健康與環境的優越性,通過正式的管理評審和對健康、安全和環境實施效果的持續改進,保護人群及財產與環境。
以最小化使用危險材料、能源和其它資源為目的進行公司產品及服務的安全生產和使用,并確保回收利用。以防治污染、保存資源的方式進行商務運作,并積極地對以往的環境破壞進行揭露。持續改進,將環境管理與商務運行和決策過程高度集成,規范其行為。不斷進行持續改進的實踐。
.gif)
1.技術支持 2.客服咨詢
全方位技術指導,專業的技術支持讓您感受到 專業的銷售團隊,耐心為您解答任何疑問,讓您的
前所未有的后顧無憂. 消費得到保障.
3.質量保證,誠信為上 4.提升業績,降低成本
我司以“以科技為動力,以質量求生存”為理念. 為您的產品量身訂制,免費取樣,
為您做到低成本,高效率.

全方位技術指導,專業的技術支持讓您感受到 專業的銷售團隊,耐心為您解答任何疑問,讓您的
前所未有的后顧無憂. 消費得到保障.
3.質量保證,誠信為上 4.提升業績,降低成本
我司以“以科技為動力,以質量求生存”為理念. 為您的產品量身訂制,免費取樣,
為您做到低成本,高效率.

深圳市康華爾電子有限公司 |
電 話: +86-755-27838351 |
手 機:13823300879 |
傳 真: +86-755-27883106 |
Q Q: 632862232 |
MSN: konuaer@163.com |
E-mail:konuaer@163.com |
網 址:http://www.toua-seitai.com |
地 址:廣東深圳市寶安寶安大道東95號浙商銀行大廈1905 |