晶振官方博客
更多>>石英晶振匹配設計電路
來源:http://www.toua-seitai.com 作者:konuaer 2012年04月21
康華爾電子有限公司-石英晶振設計電路指南
康華爾電子:在日夜不斷發展成長,從民用晶體、、工業晶振、軍用晶振,從DIP晶振、SMD晶振、陶瓷霧化片、衛星導航、聲表面濾波器系列。
從晶片研發,到電路的設計。公司已經有了實際的技術和開發生產能力,現將一些晶振設計電路,32.768K,千赫表晶匹配電容、晶振匹配IC、晶振振蕩模式、驅動電壓和功率,焊接溫度曲線等應用技術公布,希望在此能幫助到一些有需要的公司和設計人士。
石英晶振|振蕩電路的設計概述
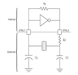
晶振|振蕩電路設計的關鍵參數
驅動級(DL),晶振|振蕩頻率和負載電容(CL)
晶振|振蕩模式,頻率溫度曲線
晶振驅動級(DL)
晶體單元的驅動器的運行功率或電流消耗水平(參見圖9,10和11)所示。晶體單元操作的權力過大,水平,將導致其特點,這可能會導致晶體芯片的頻率不穩定或物理故障的退化。你的電路設計在絕對最大驅動電平。
晶振|振蕩頻率和負載電容(CL)
負載電容(CL)是一個確定的晶振|振蕩電路的頻率參數。 CL是代表一個有效的等效電容,加載從晶振|振蕩電路的晶體單元的兩端(見圖12)。
晶振|振蕩頻率會有所不同,這取決于負載電容
晶振|振蕩電路。為了獲得理想的頻率精度,貼片晶振|振蕩電路的負載電容和晶體單元之間的匹配是必需的。為使用的晶體單元,配合晶體單元的負載電容的晶振|振蕩電路的負載電容。

振蕩津貼
為了確保穩定的振蕩電路的負電阻應該顯著高于等效串聯電阻較大的(振蕩津貼是大)。確保振蕩津貼,是至少5倍的等效串聯電阻大。
振蕩津貼的評價方法
加入電阻“RX”系列表晶單元,并確保該振蕩啟動或停止。近似的負阻電路是通過增加有效的抵抗“RE”的最大阻力“RX”振蕩啟動或停止后,逐漸使Rx值較大時,得到的值。
負阻 - R的|= RX+復
|-R的是一個至少5倍作為最大的晶體單元的等效串聯電阻(R1的最大值)。大的價值。
* Re為振蕩過程中的有效電阻值。
RE = R1(1+ CO/ CL的)2

頻率溫度曲線

音叉晶體的頻率溫度特性的負二次曲線,其中有一個高峰期在25ºC每左圖所示。
請確保你所需要的溫度范圍和頻率精度考慮,因為頻率的幅度變化變得越來越大,溫度范圍變寬。
[頻率溫度特性的近似公式]
f_tem= B(T-TI)2
A:拋物系數 T:給定的溫度
鈦成交額溫度的
作者:康華爾――晶振帝國
康華爾電子:在日夜不斷發展成長,從民用晶體、、工業晶振、軍用晶振,從DIP晶振、SMD晶振、陶瓷霧化片、衛星導航、聲表面濾波器系列。
從晶片研發,到電路的設計。公司已經有了實際的技術和開發生產能力,現將一些晶振設計電路,32.768K,千赫表晶匹配電容、晶振匹配IC、晶振振蕩模式、驅動電壓和功率,焊接溫度曲線等應用技術公布,希望在此能幫助到一些有需要的公司和設計人士。
石英晶振|振蕩電路的設計概述
晶振|振蕩電路設計的關鍵參數
驅動級(DL),晶振|振蕩頻率和負載電容(CL)
晶振|振蕩模式,頻率溫度曲線
晶振驅動級(DL)
晶體單元的驅動器的運行功率或電流消耗水平(參見圖9,10和11)所示。晶體單元操作的權力過大,水平,將導致其特點,這可能會導致晶體芯片的頻率不穩定或物理故障的退化。你的電路設計在絕對最大驅動電平。

晶振|振蕩頻率和負載電容(CL)
負載電容(CL)是一個確定的晶振|振蕩電路的頻率參數。 CL是代表一個有效的等效電容,加載從晶振|振蕩電路的晶體單元的兩端(見圖12)。
晶振|振蕩頻率會有所不同,這取決于負載電容
晶振|振蕩電路。為了獲得理想的頻率精度,貼片晶振|振蕩電路的負載電容和晶體單元之間的匹配是必需的。為使用的晶體單元,配合晶體單元的負載電容的晶振|振蕩電路的負載電容。
振蕩津貼
為了確保穩定的振蕩電路的負電阻應該顯著高于等效串聯電阻較大的(振蕩津貼是大)。確保振蕩津貼,是至少5倍的等效串聯電阻大。
振蕩津貼的評價方法
加入電阻“RX”系列表晶單元,并確保該振蕩啟動或停止。近似的負阻電路是通過增加有效的抵抗“RE”的最大阻力“RX”振蕩啟動或停止后,逐漸使Rx值較大時,得到的值。
負阻 - R的|= RX+復
|-R的是一個至少5倍作為最大的晶體單元的等效串聯電阻(R1的最大值)。大的價值。
* Re為振蕩過程中的有效電阻值。
RE = R1(1+ CO/ CL的)2
頻率溫度曲線

音叉晶體的頻率溫度特性的負二次曲線,其中有一個高峰期在25ºC每左圖所示。
請確保你所需要的溫度范圍和頻率精度考慮,因為頻率的幅度變化變得越來越大,溫度范圍變寬。
[頻率溫度特性的近似公式]
f_tem= B(T-TI)2
A:拋物系數 T:給定的溫度
鈦成交額溫度的
作者:康華爾――晶振帝國
正在載入評論數據...
此文關鍵字: 石英晶振2.768K線路,線路設計、晶振匹配資料
相關資訊
- [2025-06-24]Greenray插件YH1300恒溫晶振OCXO的輸出...
- [2024-03-14]RTV119系列性能超強的溫補晶振由安德森...
- [2024-03-14]IQD最新推出IQXC-26系列體積超小耐輻射...
- [2024-03-12]Pletronics晶振最新推出的OSN4系列恒溫...
- [2024-03-08]回顧Bliley晶振八十多年的歷史進程
- [2024-03-08]Bliley如何測量并減少晶振老化帶來的影...
- [2024-03-07]Crystek行業標桿壓控晶振CVCO33BE-2352...
- [2023-09-28]遙遙領先的GEYER晶振跟大家一起探討尺寸...
- [2023-09-26]領先全球的HELE晶振帶你了解從原始石英...
- [2023-09-23]領先全球的Renesas Electronics Corpor...
- [2023-09-21]遙遙領先的Skyworks電子晶振有助于加快...
- [2023-09-19]關于遙遙領先的Skyworks Electronics公...