產品系列
- 32.768KHz
- 石英晶振
- 貼片晶振
- 聲表面濾波器
- 陶瓷晶振
- 陶瓷霧化片
- 陶瓷濾波器
- 微孔霧化片
- CTS晶振
- KDS晶振
- 愛普生晶振
- 西鐵城晶振
- 精工晶體
- 村田晶振
- 京瓷晶振
- DST310S晶振
- 日本大河晶體
- NDK晶振
- 亞陶晶振
- 日本富士晶振
- NAKA晶振
- SMI晶振
- NKG晶振
- NJR晶振
- Q-Tech晶振
- ABRACON晶振
- VECTRON晶振
- JAUCH晶振
- ConnorWinfield晶振
- Rakon晶振
- ECS晶振
- Greenray晶振
- ECLIPTEK晶振
- GOLLEDGE晶振
- STATEK晶振
- Pletronics晶振
- SITIME晶振
- Microcrystal晶振
- RALTRON晶振
- AEK晶振
- AEL晶振
- ILSI晶振
- FOX晶振
- fujicom晶振
- CRYSTEK晶振
- interquip晶振
- Geyer晶振
- quartzcom晶振
- qantek晶振
- EUROQUARTZ晶振
- quarztechnik晶振
- Cardinal晶振
- FRE-TECH晶振
- KVG晶振
- wi2wi晶振
- Transko晶振
- suntsu晶振
- mmdcomp晶振
- MERCURY晶振
- MTRONPTI晶振
- ACT晶振
- MTI晶振
- Lihom晶振
- Rubyquartz晶振
- Oscilent晶振
- SHINSUNG晶振
- ITTI晶振
- PDI晶振
- IQD晶振
- Microchip晶振
- Silicon晶振
- Anderson晶振
- Fortiming晶振
- CORE晶振
- NIPPON晶振
- NIC晶振
- QVS晶振
- Bomar晶振
- Bliley晶振
- GED晶振
- FILTRONETICS晶振
- STD晶振
- Wenzel晶振
- NEL晶振
- EM晶振
- PETERMANN晶振
- FCD-Tech晶振
- HEC晶振
- FMI晶振
- Macrobizes晶振
- AXTAL晶振
- SUNNY晶振
- ARGO晶振
- Renesas瑞薩晶振
- SKYWORKS晶振
- NSK晶振
- 臺灣加高諧振器
- 臺灣鴻星晶體
- TXC晶振
- 臺灣希華晶振
- 臺灣泰藝晶體
- AKER晶振
晶振廠家
進口晶振
歐美晶振
臺產晶振
Tel:0755-27838351
Add:廣東深圳市寶安區67區留仙一路甲岸科技園3棟5樓
Email:konuaer@163.com
QQ:632862232

晶振官方博客
更多>>.jpg)

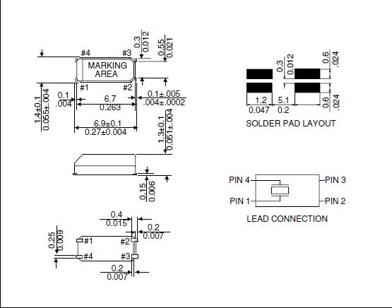
Rubyquartz晶振,RSE-H14貼片諧振器,RSE-32.768-12.5-H14-TR音叉晶體,32.768KHz時鐘晶體具有小型,薄型,輕型的貼片晶振表面音叉型晶體振蕩器,產品具有優良的耐熱性,耐環境特性,可發揮晶振優良的電氣特性,符合RoHS規定,滿足無鉛焊接的高溫回流溫度曲線要求,金屬外殼的封裝使得產品在封裝時能發揮比陶瓷振蕩器外殼更好的耐沖擊性.
Rubyquartz晶振,RSE-H14貼片諧振器,RSE-32.768-12.5-H14-TR音叉晶體,石英晶振真空退火技術:晶振高真空退火處理是消除貼片晶振在加工過程中產生的應力及輕微表面缺陷.在PLC控制程序中輸入已設計好的溫度曲線,使真空室溫度跟隨設定曲線對晶體組件進行退火,石英晶振通過合理的真空退火技術可提高晶振主要參數的穩定性,以及提高SMD晶振的年老化特性.
Rubyquartz晶振,RSE-H14貼片諧振器,RSE-32.768-12.5-H14-TR音叉晶體,石英晶振真空退火技術:晶振高真空退火處理是消除貼片晶振在加工過程中產生的應力及輕微表面缺陷.在PLC控制程序中輸入已設計好的溫度曲線,使真空室溫度跟隨設定曲線對晶體組件進行退火,石英晶振通過合理的真空退火技術可提高晶振主要參數的穩定性,以及提高SMD晶振的年老化特性.

美國Rubyquartz晶振擁有完整的諧振器與振蕩器產線-Rubyquartz晶振公司是美國有名的頻率控制元件制造商,在各大用戶眼里,是一家注重服務與質量的晶振品質.
Rubyquartz晶振,RSE-H14貼片諧振器,RSE-32.768-12.5-H14-TR音叉晶體,擁有非常專業的頻率元件設計與制造技術,其經營理念與生產概念領先許多業界的制造商,產品類型也比較完整。旗下量產的石英組件包括石英晶體諧振器,32.768K晶振,貼片石英晶振,石英晶體振蕩器,OCXO恒溫晶振,VCXO壓控晶振,TCXO溫補晶振,差分晶振等,其他不同材質的頻率元件還有陶瓷晶振和SAW濾波器,所有產品都符合歐盟協會要求的ROHS指令,經過相關部門的檢測,生產車間與環境是標準的無塵干凈化,污染排放達到標準,積極保護資源并防止污染,質量控制規范,長期堅持保證高標準的品質,確保定期評估全部質量要求,讓客戶滿意度保持在100%。
.gif)
NOMINAL FREQUENCY | 32.768 kHz |
FREQUENCY TOLERANCE | ±20 PPM, ±50 PPM |
TURNOVER TEMPERATURE | ±25°C ±5°C |
TEMPERATURE COEFFICIENT | -(0.035±0.01) PPM/°C² |
LOAD CAPACITANCE | 12.5 pF |
EQUIVALENT SERIES RESISTANCE | 65 kOHMS MAXIMUM |
DRIVE LEVEL | 0.1 µW TYP, 1 µW MAX. |
SHUNT CAPACITANCE | 0.8 pF TYPICAL |
AGING (FIRST YEAR) | ±3 PPM/YEAR MAXIMUM |
OPERATING TEMPERATURE RANGE | -20°C TO +70°C |
STORAGE TEMPERATURE RANGE | -40°C TO +125°C |
INSULATION RESISTANCE | 500 MOHMS MINIMUM |
SHOCK RESISTANCE | ±5 PPM MAXIMUM |
.gif)

抗沖擊
抗沖擊是指進口晶振產品可能會在某些條件下受到損壞.例如從桌上跌落,摔打,高空拋壓或在貼裝過程中受到沖擊.如果產品已受過沖擊請勿使用.因為無論何種貼片石英晶振,其內部晶片都是石英晶振制作而成的,高空跌落摔打都會給晶振照成不良影響.
存儲事項
(1) 在更高或更低溫度或高濕度環境下長時間保存晶振時,會影響頻率穩定性或焊接性.請在正常溫度和濕度環境下保存這些石英晶振產品,并在開封后盡可能進行安裝,以免長期儲藏.
正常溫度和濕度:
溫度:+15°C 至 +35°C,濕度 25 % RH 至 85 % RH(請參閱“測試點JIS C 60068-1 / IEC 60068-1的標準條件”章節內容).
(2) 請仔細處理內外盒與卷帶.外部壓力會導致卷帶受到損壞.Rubyquartz晶振,RSE-H14貼片諧振器,RSE-32.768-12.5-H14-TR音叉晶體.
激勵功率
在晶振上施加過多驅動力,會導致產品特性受到損害或破壞.電路設計必須能夠維持適當的激勵功率 (請參閱“激勵功率”章節內容).
負極電阻
除非石英晶體振蕩器回路中分配足夠多的負極電阻,否則振蕩或振蕩啟動時間可能會增加(請參閱“關于振蕩”章節內容).
負載電容
有源晶振振蕩電路中負載電容的不同,可能導致振蕩頻率與設計頻率之間產生偏差.試圖通過強力調整,可能只會導致不正常的振蕩.在使用之前,請指明該振動電路的負載電容(請參閱“負載電容”章節內容).
機械振動的影響
當石英SMD晶振產品上存在任何給定沖擊或受到周期性機械振動時,比如:壓電揚聲器,壓電蜂鳴器,以及喇叭等,輸出頻率和幅度會受到影響.這種現象對通信器材通信質量有影響.盡管晶振產品設計可最小化這種機械振動的影響,我們推薦事先檢查并按照下列安裝指南進行操作.

Rubyquartz晶振環保基本理念:
1.作為良好的企業市民,遵循本公司的行動方針,充分關心維護地球環境。遵守國內外的有關環保法規。2.保護自然環境,充分關注自然生態等方面的環境保護,維持和保全生物多樣性。
3.有效利用資源和能源,認識到資源和能源的有限性,努力進行有效利用。
4為構建循環型社會做出貢獻,致力于減少廢棄物及廢棄物的再利用核再生循環,努力構建循環型社會。
5.推進環保型業務,充分發揮綜合實力,推進環保型貼片石英晶振產品業務,為減輕社會的環境負荷做出貢獻。Rubyquartz晶振,RSE-H14貼片諧振器,RSE-32.768-12.5-H14-TR音叉晶體.
6.建立環境管理系統,充分運用環境管理系統,設定環境目的和目標,定期修正,不斷改善,努力預防環境污染。
環保環境與發展對策:實行可持續發展戰略。采取有效措施,防治工業污染。提高能源利用效率,改善能源結構。運用經濟手段保護環境。大力推進科技進步,加強環境科學研究,積極發展環境保護產業。健全環境法規,強化環境管理。加強環境教育,不斷提高環境意識。
1.技術支持 2.客服咨詢
全方位技術指導,專業的技術支持讓您感受到 專業的銷售團隊,耐心為您解答任何疑問,讓您的
前所未有的后顧無憂. 消費得到保障.
3.質量保證,誠信為上 4.提升業績,降低成本
我司以“以科技為動力,以質量求生存”為理念. 為您的產品量身訂制,免費取樣,
為您做到低成本,高效率.

全方位技術指導,專業的技術支持讓您感受到 專業的銷售團隊,耐心為您解答任何疑問,讓您的
前所未有的后顧無憂. 消費得到保障.
3.質量保證,誠信為上 4.提升業績,降低成本
我司以“以科技為動力,以質量求生存”為理念. 為您的產品量身訂制,免費取樣,
為您做到低成本,高效率.

深圳市康華爾電子有限公司 |
電 話: +86-755-27838351 |
手 機:13823300879 |
傳 真: +86-755-27883106 |
Q Q: 632862232 |
MSN: konuaer@163.com |
E-mail:konuaer@163.com |
網 址:http://www.toua-seitai.com |
地 址:廣東深圳市寶安寶安大道東95號浙商銀行大廈1905 |