產品系列
- 32.768KHz
- 石英晶振
- 貼片晶振
- 聲表面濾波器
- 陶瓷晶振
- 陶瓷霧化片
- 陶瓷濾波器
- 微孔霧化片
- CTS晶振
- KDS晶振
- 愛普生晶振
- 西鐵城晶振
- 精工晶體
- 村田晶振
- 京瓷晶振
- DST310S晶振
- 日本大河晶體
- NDK晶振
- 亞陶晶振
- 日本富士晶振
- NAKA晶振
- SMI晶振
- NKG晶振
- NJR晶振
- Q-Tech晶振
- ABRACON晶振
- VECTRON晶振
- JAUCH晶振
- ConnorWinfield晶振
- Rakon晶振
- ECS晶振
- Greenray晶振
- ECLIPTEK晶振
- GOLLEDGE晶振
- STATEK晶振
- Pletronics晶振
- SITIME晶振
- Microcrystal晶振
- RALTRON晶振
- AEK晶振
- AEL晶振
- ILSI晶振
- FOX晶振
- fujicom晶振
- CRYSTEK晶振
- interquip晶振
- Geyer晶振
- quartzcom晶振
- qantek晶振
- EUROQUARTZ晶振
- quarztechnik晶振
- Cardinal晶振
- FRE-TECH晶振
- KVG晶振
- wi2wi晶振
- Transko晶振
- suntsu晶振
- mmdcomp晶振
- MERCURY晶振
- MTRONPTI晶振
- ACT晶振
- MTI晶振
- Lihom晶振
- Rubyquartz晶振
- Oscilent晶振
- SHINSUNG晶振
- ITTI晶振
- PDI晶振
- IQD晶振
- Microchip晶振
- Silicon晶振
- Anderson晶振
- Fortiming晶振
- CORE晶振
- NIPPON晶振
- NIC晶振
- QVS晶振
- Bomar晶振
- Bliley晶振
- GED晶振
- FILTRONETICS晶振
- STD晶振
- Wenzel晶振
- NEL晶振
- EM晶振
- PETERMANN晶振
- FCD-Tech晶振
- HEC晶振
- FMI晶振
- Macrobizes晶振
- AXTAL晶振
- SUNNY晶振
- ARGO晶振
- Renesas瑞薩晶振
- SKYWORKS晶振
- NSK晶振
- 臺灣加高諧振器
- 臺灣鴻星晶體
- TXC晶振
- 臺灣希華晶振
- 臺灣泰藝晶體
- AKER晶振
晶振廠家
進口晶振
歐美晶振
臺產晶振
Tel:0755-27838351
Add:廣東深圳市寶安區67區留仙一路甲岸科技園3棟5樓
Email:konuaer@163.com
QQ:632862232

晶振官方博客
更多>>.jpg)

Qantek晶振,QC20晶振,貼片無源晶振.貼片晶振本身體積小,超薄型石英晶體諧振器,特別適用于有目前高速發展的高端電子數碼產品,因為晶振本身小型化需求的市場領域,小型,薄型是對應陶瓷諧振器(偏差大)和普通的石英晶體諧振器(偏差小)的中間領域的一種性價比較出色的產品.產品廣泛用于筆記本電腦,無線電話,衛星導航HDD,SSD,USB,Blu-ray等用途,符合無鉛焊接的高溫回流焊曲線特性.
石英晶振多層、多金屬的濺射鍍膜技術:是目前研發及生產高精度、高穩定性石英晶體元器件——石英貼片晶振必須攻克的關鍵技術之一.高精密晶振該選用何鍍材、鍍幾種材料、幾種鍍材的鍍膜順序,鍍膜的工藝方法(如各鍍材的功率設計等).使用此鍍膜方法使鍍膜后的晶振附著力增強,貼片晶振頻率更加集中,能控制在最小ppm之內.


QANTEK為每位客戶分配一位作為主要聯系人的客戶經理,負責開發QANTEK資源的業務關系以滿足每位客戶的需求.通過此系統,QANTEK耐高溫晶振可以保持強大的客戶關系,而響應式服務和支持最重要.QANTEK希望成為您首選的頻率管理SMD環保晶振產品供應商.
.gif)
.gif)
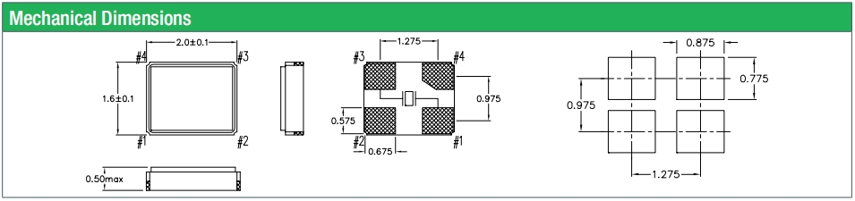
Qantek晶振 | 單位 | QC20晶振 | 石英晶振基本條件 |
標準頻率 | f_nom | 20~52MHz | 標準頻率 |
儲存溫度 | T_stg | -40°C~+85°C | 裸存 |
工作溫度 | T_use |
-20℃~+70℃ -40℃~+85℃ -40℃~+105℃ -40℃~+125℃ |
標準溫度 |
激勵功率 | DL | 1.0μW Max. | 推薦:100μW ~ 300μW |
頻率公差 | f_— l | ±10ppm~±30ppm |
+25°C 對于超出標準的規格說明, 請聯系我們以便獲取相關的信息, http://www.toua-seitai.com/ |
頻率溫度特征 | f_tem | ±50× 10-6 /-30°C~+85°C | 超出標準的規格請聯系我們. |
負載電容 | C | 7pF~32pF | 不同負載要求,請聯系我們. |
串聯電阻(ESR) | R1 | 如下表所示 | -10°C— +60°C, DL = 100μW |
頻率老化 | f_age | ±5 × 10-6 / year Max. | +25°C,第一年 |
.gif)


耐焊性
加熱包裝材料至+150°C以上會破壞產品特性或損害諧振器.如需在+150°C以上焊接晶體產品,建議使用SMD晶體.在下列回流條件下,對晶體產品甚至2016晶振使用更高溫度,會破壞產品特性.建議使用下列配置情況的回流條件.安裝這些產品之前,應檢查焊接溫度和時間.同時,在安裝條件更改的情況下,請再次進行檢查.如果需要焊接的晶體產品在下列配置條件下進行焊接,請聯系我們以獲取耐熱的相關信息.
PCB設計指導
(1)理想情況下,機械蜂鳴器應安裝在一個獨立于音叉晶體器件的PCB板上.如果您安裝在同一個PCB板上,最好使用余量或切割PCB.當應用于PCB板本身或PCB板體內部時,機械振動程度有所不同.建議遵照內部板體特性.
(2)在設計時請參考相應的推薦封裝.
(3)在使用焊料助焊劑時,按JIS標準(JISC60068-2-20/IEC60,068-2-20).來使用.
(4)請按JIS標準(JISZ3282,Pb含量1000ppm,0.1wt%或更少)來使用無鉛焊料.
自動安裝時的沖擊
自動安裝和真空化引發的沖擊智能手機晶振產品特性并影響這些進口晶體振蕩器.請設置安裝條件以盡可能將沖擊降至最低,并確保在安裝前未對產品特性產生影響.條件改變時,請重新檢查安裝條件.同時,在安裝前后,請確保石英晶振未撞擊機器或其他電路板等.

QANTEK晶振集團將:不論何時何地盡可能的進行源頭污染預防.為環境目標指標的建立與評審提供框架.通過充分利用或回收等方法實現對自然資源的保持.
QANTEK晶振集團將確保其美國進口晶振產品及相關設施滿足甚至超出國家的、州立的以及地方環保機構的相關法規規定及其他要求,同時該公司盡可能的參與并協助政府機關和其他官方組織從事的環保活動. 在地方對各項設施的管理責任中,確保滿足方針的目標指標,同時在各種經營與生產活動中完全遵守并符合現行所有標準規范的要求.
QANTEK集團將有效率的使用自然資源和能源,以便從源頭減少廢物產生和排放.我們將在關注于預防環境和安全事故,保護公眾健康的同時,努力改進我們的操作.我公司將積極參與加強公眾環境、健康和安全意識的活動,提高公眾對普遍的環境、健康和安全問題的注意.
QANTEK晶振所有的經營組織都將積極應用國際標準以及適用的法律法規.為促進合理有效的公共政策的制訂實施加強戰略聯系.
消除事故和環境方面的偶發事件,減少廢物的產生和排放,有效的使用能源和各種自然資源,對緊急事件做好充分準備,以便及時做出反應.

.gif)
1.技術支持 2.客服咨詢
全方位技術指導,專業的技術支持讓您感受到 專業的銷售團隊,耐心為您解答任何疑問,讓您的
前所未有的后顧無憂. 消費得到保障.
3.質量保證,誠信為上 4.提升業績,降低成本
我司以“以科技為動力,以質量求生存”為理念. 為您的產品量身訂制,免費取樣,
為您做到低成本,高效率.

全方位技術指導,專業的技術支持讓您感受到 專業的銷售團隊,耐心為您解答任何疑問,讓您的
前所未有的后顧無憂. 消費得到保障.
3.質量保證,誠信為上 4.提升業績,降低成本
我司以“以科技為動力,以質量求生存”為理念. 為您的產品量身訂制,免費取樣,
為您做到低成本,高效率.

深圳市康華爾電子有限公司 |
電 話: +86-755-27838351 |
手 機:13823300879 |
傳 真: +86-755-27883106 |
Q Q: 632862232 |
MSN: konuaer@163.com |
E-mail:konuaer@163.com |
網 址:http://www.toua-seitai.com |
地 址:廣東深圳市寶安寶安大道東95號浙商銀行大廈1905 |