產品系列
- 32.768KHz
- 石英晶振
- 貼片晶振
- 聲表面濾波器
- 陶瓷晶振
- 陶瓷霧化片
- 陶瓷濾波器
- 微孔霧化片
- CTS晶振
- KDS晶振
- 愛普生晶振
- 西鐵城晶振
- 精工晶體
- 村田晶振
- 京瓷晶振
- DST310S晶振
- 日本大河晶體
- NDK晶振
- 亞陶晶振
- 日本富士晶振
- NAKA晶振
- SMI晶振
- NKG晶振
- NJR晶振
- Q-Tech晶振
- ABRACON晶振
- VECTRON晶振
- JAUCH晶振
- ConnorWinfield晶振
- Rakon晶振
- ECS晶振
- Greenray晶振
- ECLIPTEK晶振
- GOLLEDGE晶振
- STATEK晶振
- Pletronics晶振
- SITIME晶振
- Microcrystal晶振
- RALTRON晶振
- AEK晶振
- AEL晶振
- ILSI晶振
- FOX晶振
- fujicom晶振
- CRYSTEK晶振
- interquip晶振
- Geyer晶振
- quartzcom晶振
- qantek晶振
- EUROQUARTZ晶振
- quarztechnik晶振
- Cardinal晶振
- FRE-TECH晶振
- KVG晶振
- wi2wi晶振
- Transko晶振
- suntsu晶振
- mmdcomp晶振
- MERCURY晶振
- MTRONPTI晶振
- ACT晶振
- MTI晶振
- Lihom晶振
- Rubyquartz晶振
- Oscilent晶振
- SHINSUNG晶振
- ITTI晶振
- PDI晶振
- IQD晶振
- Microchip晶振
- Silicon晶振
- Anderson晶振
- Fortiming晶振
- CORE晶振
- NIPPON晶振
- NIC晶振
- QVS晶振
- Bomar晶振
- Bliley晶振
- GED晶振
- FILTRONETICS晶振
- STD晶振
- Wenzel晶振
- NEL晶振
- EM晶振
- PETERMANN晶振
- FCD-Tech晶振
- HEC晶振
- FMI晶振
- Macrobizes晶振
- AXTAL晶振
- SUNNY晶振
- ARGO晶振
- Renesas瑞薩晶振
- SKYWORKS晶振
- NSK晶振
- 臺灣加高諧振器
- 臺灣鴻星晶體
- TXC晶振
- 臺灣希華晶振
- 臺灣泰藝晶體
- AKER晶振
晶振廠家
進口晶振
歐美晶振
臺產晶振
Tel:0755-27838351
Add:廣東深圳市寶安區67區留仙一路甲岸科技園3棟5樓
Email:konuaer@163.com
QQ:632862232

晶振官方博客
更多>>.jpg)

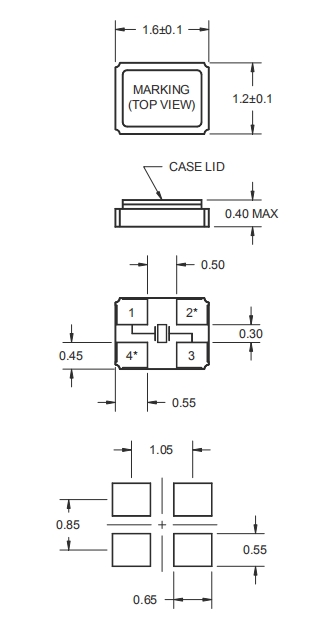
ILSI晶振,ILCX20晶振,高性能石英晶體.小型表面貼片晶振型,是標準的石英晶體諧振器,適用于寬溫范圍的電子數碼產品,家電電器及MP3,MP4,播放器,單片機等領域.可對應24.000MHz以上的頻率,在電子數碼產品,以及家電相關電器領域里面發揮優良的電氣特性,滿足無鉛焊接的回流溫度曲線要求.
石英晶振曲率半徑加工技術:無源1612晶振晶片在球筒倒邊加工時應用到的加工技術,主要是研究滿足不同曲率半徑石英晶振晶片設計可使用的方法.如:1、是指球面加工曲率半徑的工藝設計( a、球面的余弦磨量; b、球面的均勻磨量;c、球面加工曲率半徑的配合)2、在加工時球面測量標準的設計原則(曲率半徑公式的計算).

石英晶振曲率半徑加工技術:無源1612晶振晶片在球筒倒邊加工時應用到的加工技術,主要是研究滿足不同曲率半徑石英晶振晶片設計可使用的方法.如:1、是指球面加工曲率半徑的工藝設計( a、球面的余弦磨量; b、球面的均勻磨量;c、球面加工曲率半徑的配合)2、在加工時球面測量標準的設計原則(曲率半徑公式的計算).

ILSI America LLC提供廣泛的頻率控制產品,我們的主要業務是開發和供應基于石英貼片晶振或壓電晶體的產品,其中包括晶體振蕩器以及各種封裝類型的壓電石英晶體或壓電晶體。.我們的晶體振蕩器套件包括我們的時鐘振蕩器,MEMS振蕩器,VCXO,TCXO,TCVCXO和OCXO產品.
.gif)
.gif)
ILSI晶振 | 單位 | ILCX20晶振 | 石英晶振基本條件 |
標準頻率 | f_nom | 24~60MHz | 標準頻率 |
儲存溫度 | T_stg | -40°C~+85°C | 裸存 |
工作溫度 | T_use | -40°C~+85°C | 標準溫度 |
激勵功率 | DL | 1.0μW Max. | 推薦:100μW ~ 300μW |
頻率公差 | f_— l | ±15ppm |
+25°C 對于超出標準的規格說明, 請聯系我們以便獲取相關的信息, http://www.toua-seitai.com/ |
頻率溫度特征 | f_tem | ±50× 10-6 /-30°C~+85°C | 超出標準的規格請聯系我們. |
負載電容 | C | 18pF | 不同負載要求,請聯系我們. |
串聯電阻(ESR) | R1 | 如下表所示 | -10°C— +60°C, DL = 100μW |
頻率老化 | f_age | ±5 × 10-6 / year Max. | +25°C,第一年 |
.gif)


PCB設計指導
(1)理想情況下,機械蜂鳴器應安裝在一個獨立于音叉晶體器件的PCB板上.如果您安裝在同一個PCB板上,好使用余量或切割PCB.當應用于PCB板本身或PCB板體內部時,機械振動程度有所不同.建議遵照內部板體特性.
(2)在設計時請參考相應的推薦封裝.
(3)在使用焊料助焊劑時,按JIS標準(JISC60068-2-20/IEC60,068-2-20).來使用.
(4)請按JIS標準(JISZ3282,Pb含量1000ppm,0.1wt%或更少)來使用無鉛焊料.
耐焊性
加熱包裝材料至+150°C以上會破壞產品特性或損害諧振器.如需在+150°C以上焊接晶體產品,建議使用SMD晶體.在下列回流條件下,對晶體產品甚至耐高溫晶振使用更高溫度,會破壞產品特性.建議使用下列配置情況的回流條件.安裝這些產品之前,應檢查焊接溫度和時間.同時,在安裝條件更改的情況下,請再次進行檢查.如果需要焊接的晶體產品在下列配置條件下進行焊接,請聯系我們以獲取耐熱的相關信息.
自動安裝時的沖擊
自動安裝和真空化引發的沖擊會破壞產品特性并影響這些進口晶體振蕩器.請設置安裝條件以盡可能將沖擊降至低,并確保在安裝前未對產品特性產生影響.條件改變時,請重新檢查安裝條件.同時,在安裝前后,請確保高精度歐美晶振未撞擊機器或其他電路板等.

美國ILSI晶振將:通過適當控制環境影響的物質,減少能源的使用,以達到節約能源和節約資源的目的.有效利用資源,防止環境污染,減少和妥善處理廢物,包括再利用和再循環.
通過開展節能活動和減少二氧化碳排放防止全球變暖.避免采購或使用直接或間接資助或受剛果民主共和國或鄰近國家武裝組織的礦產.遵守有關環境保護的法律、標準、協議和任何公司承諾的其他要求
根據環境方針制定環境目標和目標,同時促進這些活動,并定期檢討環境管理體系的持續改進.在我們的環境政策中教育所有員工和為我們的團隊工作的人,通過教育和提高意識來提高他們的環保意識.確保公眾環境保護活動的信息公開.
ILSI晶振集團認識到進行環境管理和資源保持的責任和必要性,同時也認識到針對全球環境問題,為保持國際環境而進行各行業建設性的合作是極其重要的.對我們的美國晶振產品進行檢驗,同時告知我們的員工顧客以及公眾,如何安全的使用,如何使用對環境影響較小,幫助我們的雇員合同方商業伙伴服務提供上理解他們的行為如何影響著環境.

.gif)
1.技術支持 2.客服咨詢
全方位技術指導,專業的技術支持讓您感受到 專業的銷售團隊,耐心為您解答任何疑問,讓您的
前所未有的后顧無憂. 消費得到保障.
3.質量保證,誠信為上 4.提升業績,降低成本
我司以“以科技為動力,以質量求生存”為理念. 為您的產品量身訂制,免費取樣,
為您做到低成本,高效率.

全方位技術指導,專業的技術支持讓您感受到 專業的銷售團隊,耐心為您解答任何疑問,讓您的
前所未有的后顧無憂. 消費得到保障.
3.質量保證,誠信為上 4.提升業績,降低成本
我司以“以科技為動力,以質量求生存”為理念. 為您的產品量身訂制,免費取樣,
為您做到低成本,高效率.

深圳市康華爾電子有限公司 |
電 話: +86-755-27838351 |
手 機:13823300879 |
傳 真: +86-755-27883106 |
Q Q: 632862232 |
MSN: konuaer@163.com |
E-mail:konuaer@163.com |
網 址:http://www.toua-seitai.com |
地 址:廣東深圳市寶安寶安大道東95號浙商銀行大廈1905 |