產品系列
- 32.768KHz
- 石英晶振
- 貼片晶振
- 聲表面濾波器
- 陶瓷晶振
- 陶瓷霧化片
- 陶瓷濾波器
- 微孔霧化片
- CTS晶振
- KDS晶振
- 愛普生晶振
- 西鐵城晶振
- 精工晶體
- 村田晶振
- 京瓷晶振
- DST310S晶振
- 日本大河晶體
- NDK晶振
- 亞陶晶振
- 日本富士晶振
- NAKA晶振
- SMI晶振
- NKG晶振
- NJR晶振
- Q-Tech晶振
- ABRACON晶振
- VECTRON晶振
- JAUCH晶振
- ConnorWinfield晶振
- Rakon晶振
- ECS晶振
- Greenray晶振
- ECLIPTEK晶振
- GOLLEDGE晶振
- STATEK晶振
- Pletronics晶振
- SITIME晶振
- Microcrystal晶振
- RALTRON晶振
- AEK晶振
- AEL晶振
- ILSI晶振
- FOX晶振
- fujicom晶振
- CRYSTEK晶振
- interquip晶振
- Geyer晶振
- quartzcom晶振
- qantek晶振
- EUROQUARTZ晶振
- quarztechnik晶振
- Cardinal晶振
- FRE-TECH晶振
- KVG晶振
- wi2wi晶振
- Transko晶振
- suntsu晶振
- mmdcomp晶振
- MERCURY晶振
- MTRONPTI晶振
- ACT晶振
- MTI晶振
- Lihom晶振
- Rubyquartz晶振
- Oscilent晶振
- SHINSUNG晶振
- ITTI晶振
- PDI晶振
- IQD晶振
- Microchip晶振
- Silicon晶振
- Anderson晶振
- Fortiming晶振
- CORE晶振
- NIPPON晶振
- NIC晶振
- QVS晶振
- Bomar晶振
- Bliley晶振
- GED晶振
- FILTRONETICS晶振
- STD晶振
- Wenzel晶振
- NEL晶振
- EM晶振
- PETERMANN晶振
- FCD-Tech晶振
- HEC晶振
- FMI晶振
- Macrobizes晶振
- AXTAL晶振
- SUNNY晶振
- ARGO晶振
- Renesas瑞薩晶振
- SKYWORKS晶振
- NSK晶振
- 臺灣加高諧振器
- 臺灣鴻星晶體
- TXC晶振
- 臺灣希華晶振
- 臺灣泰藝晶體
- AKER晶振
晶振廠家
進口晶振
歐美晶振
臺產晶振
Tel:0755-27838351
Add:廣東深圳市寶安區67區留仙一路甲岸科技園3棟5樓
Email:konuaer@163.com
QQ:632862232

晶振官方博客
更多>>
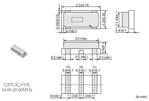
村田晶振,CSTCE_V13L,村田陶瓷諧振器,晶振尺寸小,重量輕,并具有卓越的抗振性能.與CR,LC電路不同,陶瓷振蕩子利用的是機械諧振而不是像壓電石英晶體一樣電諧振的方式起振,利用它們可實現免調整振蕩器電路的設計,該系列價格適中且貨源穩定,多數常規頻點都已大批量生產.貼片的體積有以下幾種:7.2 X3.4mm,4.5 X 2.0mm,3.7 X3.1mm,3.2 X 1.3mm,2.5x2.0mm 等系列貼片陶瓷晶振,貼片產品的產品應用范圍比較廣闊,比如有,DTMF發生器,微型計算機時鐘振蕩器, 遙控裝置,自動化辦公設備
☆☆☆☆☆☆☆☆☆☆☆☆☆☆☆☆☆☆☆☆☆☆☆☆☆☆☆☆☆☆☆☆☆☆☆☆☆☆☆

4-1 | 陶瓷振子參數 Oscillating Frequency | CSTCE_V13L 14.00-20.00MHZ | ||
4-2 | 発振周波數許容偏差 *1 Initial Tolerance *1 | ±0.50%以內 ±0.50% max. | ||
4-3 | 共振抵抗 Resonant Impedance | 80Ω以下 80Ωmax | ||
4-4 | 內蔵容量 (C1,C2) Built-in Load Capacitance | 30pF±20%以內 (參考値) max. (Ref.) | ||
4-5 | 絶縁抵抗 Insulation Resistance | 500MΩ以上 (D.C.10V印加時),Applied | ||
4-6 | 耐電圧 Withstanding Voltage | D.C.100V, 5秒以內 seconds max. | ||
4-7 | 定格電圧(1)直流電圧 D.C. (2)昀大入力信號振幅 A.C. Voltage | D.C.6V 15Vp-p. | ||
4-8 | 発振周波數溫度依存性 Frequency Shift by Temperature (-20℃~+80℃の溫度範囲にて) (-20°C to +80°C)使用溫度範囲 Operating Temperature Range保存溫度範囲 Storage Temperature Range | ±0.3%以內(初期値に対し) ±0.3%max. (from initial value) -20℃~+80℃ -20°C to +80°C -55℃~+85℃ -55°C to +85°C | ||
4-9 | 経年変化 (発振周波數に対して+25°C、60%R.H.,10年間) Secular Change (Oscillation frequency for 10 years at 25°C 60%R.H.) | ±0.3%以內(初期値に対し) ±0.3%max. (from initial value) | ||
4-10 | 項目 Item | 試験條件 Test Condition | 試験後の規格 |
1. 高精度振蕩子可確保±250ppm的初始公差。
2. 振蕩電路不需外部負載電容器。
3. 可以提供很寬頻率范圍的該系統產品。
4. 超微型且薄型振蕩子。
5. 無需調整即可用于振蕩電路。
■村田晶振用途
1. 用于USB (高速和全速) 控制器IC的時鐘振蕩器。
2. 配備有SATA接口的存儲裝置
(HDD、光存貯器等)
3. 音響設備和樂器等
4. 替代晶體振蕩器的其他用途


.jpg)