產品系列
- 32.768KHz
- 石英晶振
- 貼片晶振
- 聲表面濾波器
- 陶瓷晶振
- 陶瓷霧化片
- 陶瓷濾波器
- 微孔霧化片
- CTS晶振
- KDS晶振
- 愛普生晶振
- 西鐵城晶振
- 精工晶體
- 村田晶振
- 京瓷晶振
- DST310S晶振
- 日本大河晶體
- NDK晶振
- 亞陶晶振
- 日本富士晶振
- NAKA晶振
- SMI晶振
- NKG晶振
- NJR晶振
- Q-Tech晶振
- ABRACON晶振
- VECTRON晶振
- JAUCH晶振
- ConnorWinfield晶振
- Rakon晶振
- ECS晶振
- Greenray晶振
- ECLIPTEK晶振
- GOLLEDGE晶振
- STATEK晶振
- Pletronics晶振
- SITIME晶振
- Microcrystal晶振
- RALTRON晶振
- AEK晶振
- AEL晶振
- ILSI晶振
- FOX晶振
- fujicom晶振
- CRYSTEK晶振
- interquip晶振
- Geyer晶振
- quartzcom晶振
- qantek晶振
- EUROQUARTZ晶振
- quarztechnik晶振
- Cardinal晶振
- FRE-TECH晶振
- KVG晶振
- wi2wi晶振
- Transko晶振
- suntsu晶振
- mmdcomp晶振
- MERCURY晶振
- MTRONPTI晶振
- ACT晶振
- MTI晶振
- Lihom晶振
- Rubyquartz晶振
- Oscilent晶振
- SHINSUNG晶振
- ITTI晶振
- PDI晶振
- IQD晶振
- Microchip晶振
- Silicon晶振
- Anderson晶振
- Fortiming晶振
- CORE晶振
- NIPPON晶振
- NIC晶振
- QVS晶振
- Bomar晶振
- Bliley晶振
- GED晶振
- FILTRONETICS晶振
- STD晶振
- Wenzel晶振
- NEL晶振
- EM晶振
- PETERMANN晶振
- FCD-Tech晶振
- HEC晶振
- FMI晶振
- Macrobizes晶振
- AXTAL晶振
- SUNNY晶振
- ARGO晶振
- Renesas瑞薩晶振
- SKYWORKS晶振
- NSK晶振
- 臺灣加高諧振器
- 臺灣鴻星晶體
- TXC晶振
- 臺灣希華晶振
- 臺灣泰藝晶體
- AKER晶振
晶振廠家
進口晶振
歐美晶振
臺產晶振
Tel:0755-27838351
Add:廣東深圳市寶安區67區留仙一路甲岸科技園3棟5樓
Email:konuaer@163.com
QQ:632862232

晶振官方博客
更多>>.jpg)

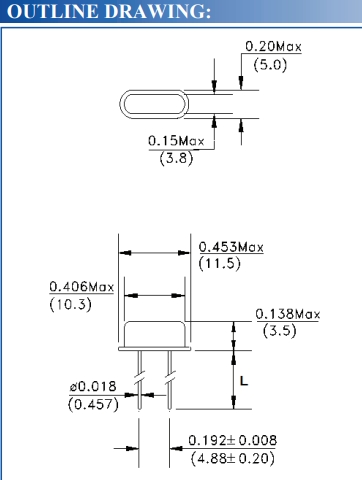
Abracon晶振ABL,ABL-24.000MHZ-B2石英插件晶振,艾博康晶振,美國進口晶振,無源石英晶體,石英晶振,無源諧振器,型號ABL,編碼ABL-24.000MHZ-B2是一款金屬面插件型的音叉晶體,尺寸為11.5*5.0mm,頻率24MHZ,精度20ppm,負載18pF,工作溫度-20~+70°C,采用高超的生產技術制作而成,具備超高的可靠性能,非常適合用于家用電子產品,計算機、調制解調器和通信,高精度TCXO和時鐘應用,微處理器等領域.
ABL-16.000MHZ-B2插件石英晶振最適合用于比較低端的電子產品,比如兒童玩具,普通家用電器,即使在汽車電子領域中也能使產品高可靠性的使用.并且可用于安全控制裝置的CPU時鐘信號發生源部分,好比時鐘單片機上的石英晶振,在極端嚴酷的環境條件下,晶振也能正常工作,具有穩定的起振特性,高耐熱性,耐熱循環性和耐振性等.Abracon晶振ABL,ABL-24.000MHZ-B2石英插件晶振

ABL-24.000MHZ-B2晶振 ABRACON新的石英晶體諧振器電鍍設計使得下一代Pierce振蕩器能夠在能夠保持振蕩的情況下運行在煙霧上.電子行業有一個非常一致的趨勢,直接取決于時間 - 隨著技術越來越小,功耗降低的需求越來越高.解決壓電石英晶體設計要求,取決于行業需求,已經成為至關重要的.
.gif)
ABRACON晶振 | 單位 | ABL晶振 | 石英晶振基本條件 |
標準頻率 | f_nom | 24MHZ | 標準頻率 |
儲存溫度 | T_stg | -55°C~+125°C | 裸存 |
工作溫度 | T_use | -20°C~+70°C | 標準溫度 |
激勵功率 | DL | 1.0μW Max. | 推薦:100μW ~ 300μW |
頻率公差 | f_— l | ±20ppm |
+25°C 對于超出標準的規格說明, 請聯系我們以便獲取相關的信息, http://www.toua-seitai.com/ |
頻率溫度特征 | f_tem | ±50× 10-6 /-30°C~+85°C | 超出標準的規格請聯系我們. |
負載電容 | C | 18pF | 不同負載要求,請聯系我們. |
串聯電阻(ESR) | R1 | 40 Ohms | -10°C— +60°C, DL = 100μW |
頻率老化 | f_age | ±5 × 10-6 / year Max. | +25°C,第一年 |

激勵功率
在進口石英晶體單元上施加過多驅動力,會導致進口耐高溫晶振特性受到損害或破壞.電路設計必須能夠維持適當的激勵功率(請參閱“激勵功率”章節內容).
熱影響
重復的溫度巨大變化可能會降低受損害的普通有源晶振的產品特性,并導致塑料封裝里的線路擊穿.必須避免這種情況.Abracon晶振ABL,ABL-24.000MHZ-B2石英插件晶振
機械振動的影響
當低功耗晶振產品上存在任何給定沖擊或受到周期性機械振動時,比如:壓電揚聲器,壓電蜂鳴器,以及喇叭等,輸出頻率和幅度會受到影響.這種現象對通信器材通信質量有影響.盡管晶體產品設計可小化這種機械振動的影響,我們推薦事先檢查并按照下列安裝指南進行操作.
PCB設計指導
(1)理想情況下,機械蜂鳴器應安裝在一個獨立于貼片晶體器件的PCB板上.如果您安裝在同一個PCB板上,好使用余量或切割PCB.當應用于PCB板本身或PCB板體內部時,機械振動程度有所不同.建議遵照內部板體特性.
(2)在設計時請參考相應的推薦封裝.
(3)在使用焊料助焊劑時,按JIS標準(JISC60068-2-20/IEC60,068-2-20).來使用.
(4)請按JIS標準(JISZ3282,Pb含量1000ppm,0.1wt%或更少)來使用無鉛焊料.Abracon晶振ABL,ABL-24.000MHZ-B2石英插件晶振
自動安裝時的沖擊
自動安裝和真空化引發的沖擊會破壞智能家居晶振產品特性并影響這些進口石英晶體振蕩器.請設置安裝條件以盡可能將沖擊降至低,并確保在安裝前未對產品特性產生影響.條件改變時,請重新檢查安裝條件.同時,在安裝前后,請確保晶振未撞擊機器或其他電路板等.

美國Abracon晶振將:通過適當控制環境影響的物質,減少能源的使用,以達到節約能源和節約資源的目的.有效利用資源,防止環境污染,減少和妥善處理廢物,包括再利用和再循環.通過開展節能活動和減少二氧化碳排放防止全球變暖.
避免采購或使用直接或間接資助或受益剛果民主共和國或鄰近國家武裝組織的礦產.遵守有關環境保護的法律、標準、協議和任何公司承諾的其他要求.根據環境方針制定環境目標和目標,同時促進這些活動,并定期檢討環境管理體系的持續改進.在我們的環境政策中教育所有員工和為我們的團隊工作的人,通過教育和提高意識來提高他們的環保意識.確保公眾環境保護活動的信息公開.Abracon晶振ABL,ABL-24.000MHZ-B2石英插件晶振
ABRACON晶振集團認識到進行環境管理和資源保持的責任和必要性,同時也認識到針對全球環境問題,為保持國際環境而進行各行業建設性的合作是極其重要的.過去Abracon晶振集團已經針對重大污染控制項目建立了一整套記錄程序并且將繼續識別解決其自身環境污染及保持問題,加強責任感以便進行環境績效的持續改進.
Abracon晶振集團將:不論何時何地盡可能的進行源頭污染預防.為環境目標指標的建立與評審提供框架.通過充分利用或回收等方法實現對自然資源的保持.

Manufacturer Part Number 原廠編碼 | Manufacturer廠家 | Series型號 | Type 系列 | Frequency頻率 |
ABL-8.000MHZ-B2 | Abracon晶振 | ABL | MHz Crystal | 8MHz |
ABL-12.000MHZ-B2 | Abracon晶振 | ABL | MHz Crystal | 12MHz |
ABL-3.6864MHZ-B2 | Abracon晶振 | ABL | MHz Crystal | 3.6864MHz |
ABL-22.1184MHZ-B2 | Abracon晶振 | ABL | MHz Crystal | 22.1184MHz |
ABL-10.000MHZ-B2 | Abracon晶振 | ABL | MHz Crystal | 10MHz |
ABL-11.0592MHZ-B2 | Abracon晶振 | ABL | MHz Crystal | 11.0592MHz |
ABL-12.288MHZ-B2 | Abracon晶振 | ABL | MHz Crystal | 12.288MHz |
ABL-14.31818MHZ-B2 | Abracon晶振 | ABL | MHz Crystal | 14.31818MHz |
ABL-14.7456MHZ-B2 | Abracon晶振 | ABL | MHz Crystal | 14.7456MHz |
ABL-16.000MHZ-B2 | Abracon晶振 | ABL | MHz Crystal | 16MHz |
ABL-16.128MHZ-B2 | Abracon晶振 | ABL | MHz Crystal | 16.128MHz |
ABL-16.384MHZ-B2 | Abracon晶振 | ABL | MHz Crystal | 16.384MHz |
ABL-18.432MHZ-B2 | Abracon晶振 | ABL | MHz Crystal | 18.432MHz |
ABL-19.6608MHZ-B2 | Abracon無源晶體 | ABL | MHz Crystal | 19.6608MHz |
ABL-20.000MHZ-B2 | Abracon晶振 | ABL | MHz Crystal | 20MHz |
ABL-24.000MHZ-B2 | Abracon晶振 | ABL | MHz Crystal | 24MHz |
ABL-24.576MHZ-B2F | Abracon晶振 | ABL | MHz Crystal | 24.576MHz |
ABL-25.000MHZ-B2F | Abracon晶振 | ABL | MHz Crystal | 25MHz |
ABL-27.000MHZ-B2F | Abracon晶振 | ABL | MHz Crystal | 27MHz |
ABL-32.000MHZ-B2 | Abracon晶振 | ABL | MHz Crystal | 32MHz |
ABL-3.579545MHZ-B2 | Abracon晶振 | ABL | MHz Crystal | 3.579545MHz |
ABL-4.000MHZ-B2 | Abracon晶振 | ABL | MHz Crystal | 4MHz |
ABL-4.096MHZ-B2 | Abracon晶振 | ABL | MHz Crystal | 4.096MHz |
ABL-4.9152MHZ-B2 | Abracon晶振 | ABL | MHz Crystal | 4.9152MHz |
ABL-6.000MHZ-B2 | Abracon晶振 | ABL | MHz Crystal | 6MHz |
ABL-7.3728MHZ-B2 | Abracon晶振 | ABL | MHz Crystal | 7.3728MHz |
ABL-8.192MHZ-B2 | Abracon晶振 | ABL | MHz Crystal | 8.192MHz |
ABL-9.8304MHZ-B2 | Abracon晶振 | ABL | MHz Crystal | 9.8304MHz |
ABL-10.000MHZ-B4Y-T | Abracon晶振 | ABL | MHz Crystal | 10MHz |
ABL-11.0592MHZ-B4Y-T | Abracon晶振 | ABL | MHz Crystal | 11.0592MHz |
ABL-11.2896MHZ-B4Y-T | Abracon晶振 | ABL | MHz Crystal | 11.2896MHz |
ABL-12.000MHZ-B4Y-T | Abracon晶振 | ABL | MHz Crystal | 12MHz |
ABL-12.288MHZ-B4Y-T | Abracon晶振 | ABL | MHz Crystal | 12.288MHz |
ABL-13.560MHZ-B4Y-T | Abracon晶振 | ABL | MHz Crystal | 13.56MHz |
ABL-14.31818MHZ-B4Y-T | Abracon晶振 | ABL | MHz Crystal | 14.31818MHz |

.gif)
1.技術支持 2.客服咨詢
全方位技術指導,專業的技術支持讓您感受到 專業的銷售團隊,耐心為您解答任何疑問,讓您的
前所未有的后顧無憂. 消費得到保障.
3.質量保證,誠信為上 4.提升業績,降低成本
我司以“以科技為動力,以質量求生存”為理念. 為您的產品量身訂制,免費取樣,
為您做到低成本,高效率.

全方位技術指導,專業的技術支持讓您感受到 專業的銷售團隊,耐心為您解答任何疑問,讓您的
前所未有的后顧無憂. 消費得到保障.
3.質量保證,誠信為上 4.提升業績,降低成本
我司以“以科技為動力,以質量求生存”為理念. 為您的產品量身訂制,免費取樣,
為您做到低成本,高效率.

深圳市康華爾電子有限公司 |
電 話: +86-755-27838351 |
手 機:13823300879 |
傳 真: +86-755-27883106 |
Q Q: 632862232 |
MSN: konuaer@163.com |
E-mail:konuaer@163.com |
網 址:http://www.toua-seitai.com |
地 址:廣東深圳市寶安寶安大道東95號浙商銀行大廈1905 |